Applications :
A multi-purpose fastener/mount that is ideal for attaching similar and different materials.
Works perfectly in blind holes, with all types of metals. and is ideal for outdoor or water
applications (will not rust). Material is oil resistant, excellent in ozone and heat applications
and salt water exposure. Seals out water, dust and wind. Unique design helps absorb vibration and
maintain seal. Can be used in marine, automotive, RV, truck, trailer, pump, generator, and wind
stress assemblies. Works well with metal, plastic, fiberglass and wood. Custom sizes available by
quotation. Contact our Customer Service department.
Materials : Neoprene
with Brass inserts.
Hardness : 60 duro to 65 duro Shore A Durometer
Colors : Black. Other colors available by quotation.
Material Temperature Range : -70°F to +300°F.
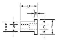
| ES P/N – |
STD P/N – |
A:BOD DIA |
B:THREAD SIZE STD |
METRIC | C:HOLE SIZE |
GRIP RANGE |
D:LENG. – |
E:HEAD HT |
F:HEAD DIA |
FITTING TORQUE |
HRD – |
| 69000C600 | E079-0310 | 7.9 | 6/32 | M3 x 0.5 | 7.9 – 8.2 | 0.40 – 4.00 | 12.6 | 1.4 | 11 | 2.5 – 5.0 | 60 |
| 69010C600 | E079-0324 | 7.9 | 6/32 | M3 x 0.5 | 7.9 – 8.2 | 8.50 – 15.00 | 24 | 1.2 | 11 | 2.5 – 5.0 | 60 |
| 69020C600 | E079-0410 | 7.9 | 8/32 | M4 x 0.7 | 7.9 – 8.2 | 0.4 – 4.0 | 12.6 | 1.4 | 11 | 2.5 – 4.0 | 65 |
| 69030C600 | E079-0424 | 7.9 | 8/32 | M4 x 0.7 | 7.9 – 8.2 | 8.5 – 15.0 | 24 | 1.2 | 11 | 2.5 – 4.0 | 60 |
| 69040C600 | E096-0511 | 9.6 | 10/32 | M5 x 0.8 | 9.6 – 9.8 | 0.5 – 1.5 | 11 | 1.5 | 12.7 | 3.5 – 5.0 | 60 |
| 69050C600 | E096-0515 | 9.6 | 10/32 | M5 x 0.8 | 9.6 – 9.8 | 0.4 – 4.9 | 14 | 0.9 | 12.7 | 3.5 – 5.0 | 60 |
| 69060C600 | E096-0517 | 9.6 | 10/32 | M5 x 0.8 | 9.6 – 9.8 | 0.85 – 5.9 | 17 | 1 | 14 | 3.0 – 7.0 | 60 |
| 69070C600 | E096-0518 | 9.6 | 10/32 | M5 x 0.8 | 9.6 – 9.8 | 0.8 – 5.8 | 18 | 2 | 19 | 3.0 – 7.0 | 60 |
| 69080C600 | E096-0520 | 9.6 | 10/32 | M5 x 0.8 | 9.6 – 9.8 | 7.9 – 11.4 | 21.5 | 0.9 | 14 | 3.0 – 9.0 | 60 |
| 69090C600 | E096-0525 | 9 3/5 | 10/32 | M5 x 0.8 | 9.6 – 9.8 | 7.9 – 16.0 | 26.1 | 1.3 | 14 | 3.0 – 7.0 | 60 |
| 69100C600 | E096-0540 | 9.6 | 10/32 | M5 x 0.8 | 9.6 – 9.8 | 20.5 – 30.0 | 38.8 | 1.3 | 14 | 6.0 – 10.0 | 60 |
| 69110C600 | E096-0545 | 9.6 | 10/32 | M5 x 0.8 | 9.6 – 9.8 | 25.0 – 32.0 | 44 | 1.2 | 14 | 6.0 – 10.0 | 60 |
| 69120C600 | E127-0615 | 12.7 | 1/4-20 | M6 x 1.0 | 12.7 – 12.9 | 0.4 – 2.8 | 16 | 1.3 | 16 | 6.0 – 10.0 | 60 |
| 69130C600 | E127-0621 | 12.7 | 1/4-20 | M6 x 1.0 | 12.7 – 12.9 | .08 – 4.7 | 21.1 | 4.75 | 19.05 | 8.0 – 10.0 | 65 |
| 69140C600 | E127-0625 | 12.7 | 1/4-20 | M6 x 1.0 | 12.7 – 12.9 | 6.4 – 11.5 | 26.7 | 2 | 16.3 | 8.0 – 10.0 | 65 |
| 69150C600 | E130-0635 | 13 | 1/4-20 | M6 x 1.0 | 13.0 – 13.2 | 11.5 – 23.0 | 35 | 1.3 | 16 | 8.0 – 10.0 | 65 |
| 69160C600 | E127-0650 | 12.7 | 1/4-20 | M6 x 1.0 | 12.7 – 12.9 | 28.0 – 38.0 | 54 | 1.3 | 16 | 8.0 – 10.0 | 65 |
| 69170C600 | E159-0820 | 15.9 | 5/16-18 | M8 x 1.25 | 15.9 – 16.1 | 0.4 – 4.0 | 18.3 | 3.2 | 22.1 | 10.0 – 15.0 | 60 |
| 69180C600 | E159-0825 | 15.9 | 5/16-18 | M8 x 1.25 | 15.9 – 16.1 | 3.95 – 9.5 | 27.93 | 5.72 | 22.1 | 10.0 – 16.0 | 60 |
| 69190C600 | E180-0830 | 18 | 5/16-18 | M8 x 1.25 | 18.0 – 18.2 | 2.0 – 18.0 | 30 | 2 | 20.5 | 10.0 – 16.0 | 60 |
| 69200C600 | E180-0850 | 18 | 5/16-18 | M8 x 1.25 | 18.0 – 18.2 | 15.0 – 39.0 | 50 | 1.6 | 20 | 30.0 – 40.0 | 65 |
| 69210C600 | E200-1055 | 20 | 3/8-16 | M10 x 1.5 | 20.0 – 20.2 | 19.0 – 40.0 | 55 | 1.3 | 22.5 | 45.0 – 55.0 | 65 |
| 69220C600 | E240-1275 | 24 | 1/2-16 | M12 x 1.75 | 24.0 – 24.2 | 38.0 – 64.0 | 80 | 1.2 | 27 | 60.0 – 70.0 | 65 |
